请输入网站标题
0832-8516966
请输入要描述的内容进行内容补充
首页
|
关于我们
|
服务项目
|
成功案例
|
新闻资讯
|
联系我们
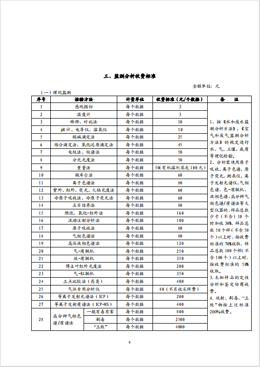
四川创威环境检测有限公司收费标准
2025-10-14 16:23
四川创威环境检测有限公司收费标准
参照川价函【2007】6号
相关案例
/ Related cases
公司是一家主要从事环境检测的第三方检测机构,主要经营业务涵盖环境保护监测、生态监测、室内环境治理、水环境保护咨询服务、环境保护与治理咨询服务、空气污染监测服务、水环境监测服务、噪声污染监测服务等领域。
内江市公安局交通警察支队
2019-01-17
项目单位:内江市公安局交通警察支队项目名称:交通安全指挥中心工程验收监测
四川威玻新材料集团有限公司
2019-01-16
项目单位:四川威玻新材料集团有限公司项目检测:有组织废气监测
威远县恒丰纸业有限公司
2019-01-16
项目单位:威远县恒丰纸业有限公司项目检测:河排污口地表水环境质量现状监测
泸州天之蓝环保工程有限公司
2019-01-16
项目单位:泸州天之蓝环保工程有限公司项目检测:眉山市彭山区金益玻璃厂废气监测
网站首页
关于我们
服务项目
成功案例
新闻资讯
联系我们
主营业务:水和废水检测服务、生物检测服务、环境空气和废气检测服务、室内环境空气检测服务、噪声和振动检测服务、土壤和底泥检测等
服务热线:
0832-8516966
电子邮箱:cwhjjc@163.com
公司地址:四川省内江市威远县严陵镇建业大道464号
©2025 四川创威环境检测有限公司 版权所有